Рым-болт DIN 580, также как и рым-гайка DIN 582, используется в монтажных и такелажных работах в любых климатических условиях для транспортирования (подъема, удержания на весу и перемещения) различных грузов ( машин, механизмов, контейнеров, сборочных единиц).
Максимальную грузоподъемность рым-болты имеют при вертикальном направлении осей строп. Крепеж допускается закручивать не только сверху, но и с боковых сторон транспортируемых грузов. Угол между направлением осей строп и вертикалями не должен превышать значения 450. На рым-болты нанесена маркировка, содержащая сведения о материалах стали, размерах резьбы и изготовителях. Рабочую нагрузку крепежа определяют по параметрам резьбы. Во время транспортирования грузы следует поднимать, опускать и перемещать плавно, без рывков.
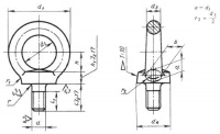
Техническая характеристика рым-болта DIN580
|
Параметры болта, мм |
Номинальный диаметр резьбы D1 |
||||||||||||||||||||||||||
|
|
M8 |
M10 |
M12 |
M16 |
M20 |
M24 |
M30 |
M36 |
M42 |
M48 |
M56 |
M64 |
M72 |
M80 |
M100 |
||||||||||||
|
P шаг резьбы, мм |
1,25 |
1,5 |
1,75 |
2 |
2,5 |
3 |
3,5 |
4 |
4,5 |
5 |
5,5 |
6 |
6 |
6 |
6 |
||||||||||||
|
D2 диаметр фланца, мм |
20 |
25 |
30 |
35 |
40 |
50 |
65 |
75 |
85 |
100 |
110 |
120 |
150 |
170 |
190 |
||||||||||||
|
D3 наружный диаметр кольца, мм |
36 |
45 |
54 |
63 |
72 |
90 |
108 |
126 |
144 |
166 |
184 |
206 |
260 |
296 |
330 |
||||||||||||
|
D4 внутренний диаметр кольца, мм |
20 |
25 |
30 |
35 |
40 |
50 |
60 |
70 |
80 |
90 |
100 |
110 |
140 |
160 |
180 |
||||||||||||
|
E высота фланца, мм |
6 |
8 |
10 |
12 |
14 |
18 |
22 |
26 |
30 |
35 |
38 |
42 |
50 |
55 |
60 |
||||||||||||
|
F резьбовая канавка, мм |
2,5 |
3 |
3,5 |
4 |
5 |
6 |
7 |
8 |
9 |
10 |
11 |
12 |
12 |
12 |
12 |
||||||||||||
|
H высота кольца, мм |
36 |
45 |
53 |
62 |
71 |
90 |
109 |
128 |
147 |
168 |
187 |
208 |
260 |
298 |
330 |
||||||||||||
|
K диаметр сечения кольца, мм |
8 |
10 |
12 |
14 |
16 |
20 |
24 |
28 |
32 |
38 |
42 |
48 |
60 |
68 |
75 |
||||||||||||
|
L длина резьбы, мм |
13 |
17 |
20,5 |
27 |
30 |
36 |
45 |
54 |
63 |
68 |
78 |
90 |
100 |
112 |
130 |
||||||||||||
Выберите хотя бы один размер!




